热搜关键词: PCIe高速数据采集卡RFSOC高速数据采集软件无线电平台VPX高速数据采集卡高速信号采集卡PCIe数据采集数字信号处理
光纤传感技术是以光纤为传感介质,通过检测光波参数变化来感知温度、应变、振动等物理量的监测手段。与传统电子传感器相比,它具有抗电磁干扰、耐腐蚀、适于长距离传输等优势,已广泛应用于电力、石油、安防和国防等领域。其中,分布式光纤传感技术将整条光纤变为一个连续的传感器。根据不同的监测需求,主要分为:DTS(分布式温度测量),用于温度场监测;DVS(分布式振动测量),用于振动感知与定位;以及DAS(分布式声波测量),可实现高灵敏度的声波信号采集。
坤驰科技基于高速数字化仪及其FPGA数据处理算法为光纤传感数据采集提供解决方案,帮助客户实现长距离、高分辨率的信号捕获与监测。
https://www.bilibili.com/video/BV1XyywBKENg/?share_source=copy_web&vd_source=6f4e7394454355a787d71835be878a54
(坤驰科技光纤传感数据采集解决方案视频)
分布式光纤传感系统构成
光纤感知
·光纤传感:在传感光纤上等间隔刻写光栅阵列,通过窄带光栅感知温度变化,宽带光栅感知振动变化,共同实现温振物理量到光信号的转换。
·光路系统:提供激光脉冲源,混合光路,完成光信号调制,负责发射光脉冲和接收光纤反射脉冲,并将反射光信号转换为电信号输出。
数据采集处理
·信号采集:接收光路系统输出的电信号,并进行高精度采集。
·信号解调:通过温度解调与IQ解调算法,分别解算波长变化(温度)与相位变化(振动)。
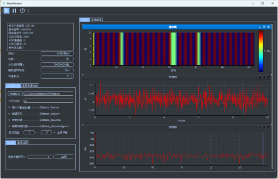
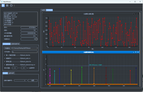
·上位机软件:提供人机交互界面,实现系统控制、数据展示与分析功能。
数据采集与处理解决方案
本方案以传感光纤结合坤驰科技高速采集设备(QT1146/QT2146),构建完整的分布式光纤传感监测系统,实现从信号采集到解调显示的全流程处理。
核心算法支持
·温度解调:通过FPGA实现温度解调算法,可直接处理并上传经降噪增强的传感数据,使客户能够从高信噪比信号中精准提取温度或应变信息,实现对分布式光纤传感数据的实时采集与处理。
·振动解调(IQ解调):通过FPGA实现振动解调算法,可直接上传幅度相位解调数据,以便客户通过解调相位检测振动,对分布式光纤传感数据进行实时采集。
·累加平均算法:累加/平均模块-AVG,通过多次触发采集模式,分段累加或平均周期信号,能将高斯分布的噪声逐渐减小,显著提高待测信号的信噪比,增加分辨率和动态范围。该模块由FPGA逻辑实时处理,不占用上位机CPU资源。
原始信号

累加信号

累加平均信号
硬件支持
坤驰科技高速数字化仪提供高速度、高精度采样能力,支持光纤传感系统中的微弱信号采集与实时处理。
QT1146

QT2146

软件平台支持
· 支持解调后光谱图显示、分析;
· 集成数据显示、瞬态记录、存储数据和控制指令下发等功能;
· 提供C/C++, Python, C#, MATLAB, LabVIEW等多种语言的开发包与二次开发接口。

展望未来
坤驰科技深耕数据采集领域多年,高速数字化仪搭配基于FPGA的实时算法:温度解调、振动解调,成功助力光纤传感领域客户实现长距离、高精度、高灵敏度信号监测;同时,基于FPGA的累加平均算法提升了信号的信噪比,提高了光纤传感信号监测的灵敏度。
未来,我们将持续跟进光纤传感领域客户需求,为我国电力、石油、化工、建筑、交通、医疗等领域的智能监测升级,提供更加先进、可靠的国产化技术支撑。